Flexible liquid helium transfer line with built-in needle valve
Model: Tcryo-NE
Tcryo-NE is a new generation of super-adiabatic flexible liquid helium transfer line with built-in needle valve for controlling the liquid helium flow, activated carbon and ice residue filters, top quality super-adiabatic multi-layer insulation materials for lower outgassing rate and better insulation performance, plus optimized adiabatic support design for lower heat leakage, higher liquid helium transfer efficiency and long maintenance-free intervals. Depending on the application scenario Tcryo-NE can be categorized into two types: small flux continuous type and large flux transfer type. Small flux continuous liquid helium transfer lines allow for the continuous transfer of small volumes of liquid helium and are the preferred choice for continuous flow liquid helium cryostats because they are lightweight, flexible, and apply less torque to the continuous flow cryostats, which significantly improves the stability of the cryostats. The large flux Tcryo-NE liquid helium transfer line has a thicker inner tube allowing for fast and efficient transfer and distribution of liquid helium. Compared to liquid helium transfer lines with external vacuum shut-off valves, the Tcryo-NE design with built-in needle valves does not introduce additional heat leakage and reduces the consumption of liquid helium during the transfer process. The built-in needle valve provides better control of the liquid helium flow rate and greatly reduces the risk of line leakage. The large flux Tcryo-NE liquid helium transfer line is compatible with most commercial liquid helium dewars and liquid helium based superconducting magnets.

Small flux continuous flow liquid helium transfer lines with built-in needle valve (left);Large flux liquid helium transfer lines with built-in needle valve (right )

Schematic diagram of super-adiabatic flexible liquid helium transfer line with needle valves and 90-degree elbows at both ends

Schematic diagram of super-adiabatic flexible liquid helium transfer line with needle valves without 90-degree elbows at both ends

Schematic diagram of super-adiabatic flexible liquid helium transfer line with needle valve and 90-degree elbow on the cryostat side

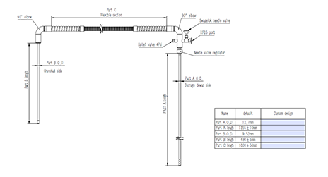
Schematic diagram of super-adiabatic flexible liquid helium transfer line with needle valve and 90-degree elbow on the side of a liquid helium storage dewar


